Spannkraftmessgerät Dreibackenfutter 9-90 kN
Produktnummer:
00-SKD3-90
Zolltarifnummer:
9017 8090
EAN:
4049794662991
Gewicht:
2,5 kg
Lagerbestand:
0
Weiterführende Links:
Artikel anfragen
Produktinformationen "Spannkraftmessgerät Dreibackenfutter 9-90 kN"
Spannkraftmessgerät für Dreibackenfutter
- Messgenauigkeit ± 1,5% vom Skalenendwert
- Krafteinleitung durch 3 Kolben
- Spannkraft pro Backe 3 x 30 kN
- Spannkraft 9 - 90 kN
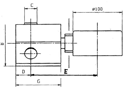
Technische Daten
| Spannkraft / Gripping force kN |
Spannkraft pro Backe / Gripping force per jaw kN |
A mm |
B mm |
C mm |
D mm |
E mm |
F mm |
kg |
| 0,6 – 6 | 3 x 2 | 40 | 40 | 10 | 12 | 105 | 45 | 0,8 |
| 1 – 10 | 3 x 3,33 | 40 | 40 | 10 | 12 | 105 | 45 | 0,8 |
| 3 – 30 | 3 x 10 | 40 | 45 | 13 | 15 | 110 | 50 | 1,2 |
| 6 – 60 | 3 x 20 | 55 | 60 | 20 | 20 | 110 | 60 | 1,9 |
| 9 – 90 | 3 x 30 | 65 | 70 | 22 | 23 | 120 | 65 | 2,5 |
| 12 – 120 | 3 x 40 | 65 | 70 | 25 | 26 | 120 | 65 | 2,5 |
| 15 – 150 | 3 x 50 | 85 | 90 | 30 | 32 | 118 | 70 | 4,0 |
| 18 – 180 | 3 x 60 | 85 | 90 | 30 | 32 | 118 | 70 | 4,0 |
| 21 – 210 | 3 x 70 | 95 | 100 | 35 | 37 | 123 | 80 | 5,5 |
| 24 – 240 | 3 x 80 | 95 | 100 | 35 | 37 | 123 | 85 | 8,0 |
| 30 – 300 | 3 x 100 | 120 | 125 | 35 | 40 | 125 | 85 | 8,0 |
| 40 – 400 | 3 x 133,3 | 120 | 125 | 35 | 40 | 125 | 85 | 8,0 |
| Angaben ohne Gewähr, technische Änderungen vorbehalten / Information provided without guarantee, technical changes reserved |
||||||||
Informationen zur Produktsicherheit:
- Nur für technisch versierte und mit dem Produkt vertraute Anwender sowie Handwerker geeignet.
- Nur für den vorhergesehenen Verwendungszweck geeignet.
- Unsachgemäße Verwendung kann zu Schäden und Verletzungen führen.
Importeur/Hersteller:
Gedema GmbH
Berchumer Str. 74
58093 Hagen
E-Mail: info@messwelt.com
E-Mail: info@gedema.com
Ausgenommen sind Artikel bei denen explizit der Hersteller genannt wird.